
1、结构简单,运转平稳,坚固耐用;
2、激振力强、电耗低、噪音小;
3、采用小振幅,高频率,大倾角结构,使该设备筛分效率高、处理量大;
4、零部件通用性强,维修方便,使用寿命长。

单轴振动筛有一个十分牢靠的筛箱,因为其结构是焊接及铆接而成,在振动器的主轴上不仅中间位置有偏心轴,而且主轴两头也有能够调节的偏心轮。在筛分时,电动机经由三角带作用于振动器,传动轴使偏心轴及偏心轮产生惯性力,这种惯性力会令筛箱作近似的圆形的运动,使物料得到了较佳的筛分效果。

| 型号 | 筛网 |
给料粒度 (mm) |
生产能力 (t/h) |
振动频率 (l/min) |
双振幅 (mm) |
电动机 |
安装 形式 |
总重 (kg) |
||||
| 层数 |
面积 (㎡) |
筛孔尺寸 (mm) |
筛网 结构 |
型号 | 功率(kw) | |||||||
| DD918 | 1 | 1.6 | 1-25 | 钢丝编织 | ≤60 | 10-30 | 1000 | 5-6 | Y100L-4 | 2.2 | 吊式 | 440 |
| 2DD918 | 2 | 1.6 | 1-25 | 钢丝编织 | ≤60 | 10-30 | 1000 | 5-6 | Y100L-4 | 2.2 | 吊式 | 600 |
| DDM1235 | 1 | 4 | 500-100 | 钢丝编织 | ≤400 | 150-210 | 920 | 6 | Y132S-4B3 | 5.5 | 吊式 | 2112 |
| DDM1556 | 1 | 8 | 25-50 | 冲孔 | ≤400 | 400 | 920 | 6-8 | Y160M-4B3 | 11 | 吊式 | 3376 |
| 2DDM1556 | 2 | 8 |
上25-100 下6-25 |
上冲下编 | ≤400 |
上90-450 下30-90 |
1000 | 6 | Y180M-4 | 18.5 | 吊式 | 5096 |
| DDM1740 | 1 | 7 | 50-100 | 冲孔 | ≤400 | 240-360 | 920 | 5-7 | Y132M-4B3 | 7.5 | 吊式 | 3092 |
| DDM1756 | 1 | 9.5 | 25-50 | 冲孔 | ≤400 | 270-540 | 920 | 5-7 | Y160T-4B3 | 15 | 吊式 | 3995 |
| DDM2056 | 1 | 11 | 25-125 | 冲孔 | ≤400 | 300-1100 | 920 | 6-8 | 180M-4B3 | 18.5 | 吊式 | 4599 |
| 2DDM2056 | 2 | 11 |
上25-100 下6-25 |
冲孔 | ≤400 |
120-600 40-120 |
1000 | 6-8 | Y180M-4 | 18.5 | 吊式 | 5650 |
| ZD918 | 1 | 1.6 | 1-25 | 编织 | ≤60 | 10-30 | 1000 | 6 | Y100L-4 | 2.2 | 吊式 | 553 |
| 2ZD918 | 2 | 1.6 | 1-25 | 编织 | ≤50 | 10-30 | 1000 | 6 | Y100L-4 | 2.2 | 座式 | 702 |
| ZD1224 | 1 | 2.9 | 6-40 | 编织 | ≤100 | 70-210 | 1000 | 0-7 | Y112M-4 | 4 | 座式 | 1130 |
| 2ZD1224 | 2 | 2.9 | 6-40 | 编织 | ≤100 | 70-210 | 850 | 0-7 | Y112M-4 | 4 | 座式 | 1545 |
| ZD1224J | 1 | 2.9 |
上11×42 下26×35 |
橡胶 | ≤100 | 70-210 | 850 | 3.5 | Y112M-4 | 4 | 座式 | 1086 |
| 2ZD124J | 2 | 2.9 |
上13×42 下48×58 |
橡胶 | ≤100 | 70-210 | 800 | 3.5 | Y112M-4 | 4 | 座式 | 1637 |
| ZDM1235 | 1 | 4 | 50-100 | 冲孔 | ≤400 | 150-210 | 920 | 7 | Y132-4B3 | 5.5 | 座式 | 2235 |
| ZD1530 | 1 | 4.5 | 6-50 | 钢丝编织 | ≤100 | 90-270 | 920 | 6-7 | Y132S-4 | 5.5 | 座式 | 1650 |
| 2ZD150 | 2 | 4.5 | 6-50 | 钢丝编织 | ≤100 | 90-270 | 850 | 6-7 | Y132S-4 | 5.5 | 座式 | 2260 |
| ZD153J | 1 | 4.5 | 11×42 | 橡胶 | ≤150 | 90-270 | 850 | 7 | 132-4 | 5.5 | 座式 | 2260 |
| 2ZD1530J | 2 | 4.5 |
上13×42 下48×58 |
橡胶 | ≤100 | 90-270 | 850 | 7 | Y132S-4 | 5.5 | 座式 | 2653 |
| ZD1540 | 1 | 6 | 650 | 钢丝编织 | ≤100 | 90-270 | 850 | 7 | Y132M-4 | 7.5 | 座式 | 2070 |
| 2ZD1540 | 2 | 6 | 6-50 | 钢丝编织 | ≤100 | 90-270 | 850 | 7 | Y132M-4 | 7.5 | 座式 | 2850 |
| ZDM1556 | 1 | 8 | 25-50 | 冲孔 | ≤400 | 225-450 | 920 | 6-8 | Y160m-4 | 11 | 座式 | 3611 |
| 2ZDM1556 | 2 | 8 |
上25-50 下6-25 |
冲孔 | ≤400 | 30-300 | 1000 | 6-8 | Y180m-4B3 | 18.5 | 座式 | 5347 |
| ZDM1740 | 1 | 7 | 50-100 | 冲孔 | ≤400 | 270-400 | 920 | 5-7 | Y132M-4B3 | 7.5 | 座式 | 3224 |
| ZDM1756 | 1 | 9.5 | 25-50 | 冲孔 | ≤400 | 270-540 | 920 | 5-7 | Y160L-4B3 | 15 | 座式 | 4027 |
| ZD1836 | 1 | 9.5 | 6-50 | 编织 | ≤150 | 100-300 | 850 | 7 | Y160M-4 | 11 | 座式 | 160 |
| ZDM2056 | 1 | 11 | 13-125 | 编织 | ≤400 | 100-1000 | 920 | 6-8 | Y180M-4 | 18.5 | 座式 | 5991 |
| 2ZDM2056 | 2 | 11 |
上25-100 下6-25 |
上冲下编 | ≤400 | 120-600 | 1000 | 6-8 | Y180M-4B3 | 18.5 | 座式 | 5891 |
| 2ZDM2056G | 2 | 11 |
上25-100 下0.75 |
上编下条 | ≤400 | 200-400 | 800 | 6.7 | Y180M-4B3 | 18.5 | 座式 | 9864 |
| ZD2160 | 1 | 12. | 10-5 | 橡胶 | ≤150 | 100-300 | 900 | 8 | Y180L-4 | 22 | 座式 | 6529 |
| ZD1836J | 1 | 6.5 |
上43×58 下87×104 |
橡胶 | ≤150 | 100-300 | 850 | 7 | Y160M-4 | 11 | 座式 | 475 |



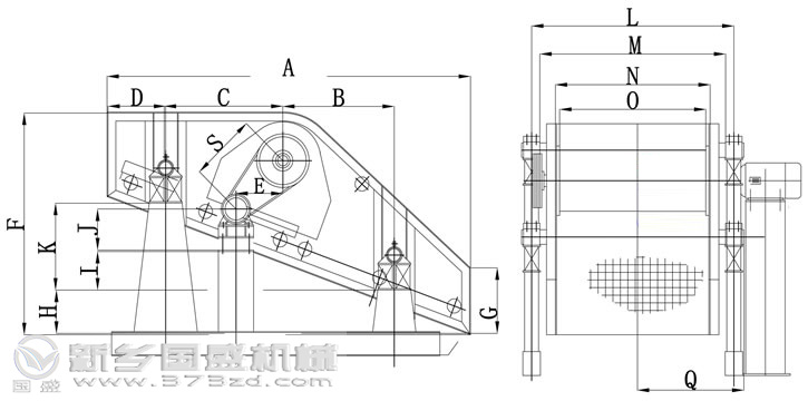
| 型号 | A | B | C | D | E | F | G | H | I | J | K | L | M | N | O | Q | S |
| ZD1224 | 2400 | 750 | 750 | 350 | 320 | 1334 | 457 | 234 | 0 | 374 | 546 | 1656 | 1712 | 1456 | 1340 | 1011 | 567 |
| ZD1530 | 3000 | 900 | 900 | 546 | 470 | 1556 | 479 | 206 | 52 | 374 | 655 | 2136 | 2012 | 1756 | 1640 | 1190 | 670 |
| ZD1540 | 4000 | 1358 | 1312 | 663 | 530 | 2028 | 479 | 280 | 332 | 402 | 972 | 2156 | 2032 | 1756 | 1640 | 1191 | 761 |
| ZD1836 | 3600 | 1200 | 120 | 476 | 530 | 1807 | 465 | 328 | 190 | 402 | 8735 | 2456 | 2332 | 2056 | 1940 | 1386 | 761 |
| ZD2160 | 6000 | 1950 | 1950 | 900 | 788 | 3035 | 857 | 535 | 0 | 480 | 1955 | 3140 | 2852 | 2420 | 2240 | 1665 | 1344 |
1、检查全部螺栓的紧固程度,并且在较初工作8h后,重新紧固一次;
2、检查V型带的张紧力,避免在起动或工作中打滑,并且确保V型带轮的对正性;
3、确保所有运动件与固定物之间的较小间隙;
4、筛子应在没有负荷的情况下起动,待筛子运行平稳后,方能开始给料,停机前应先停止给料,待筛面上的物料排净后再停机;
5、给料溜槽应尽可能靠近给料端,并尽可能沿筛子全宽均匀给料,其方向与筛面上物料运行方向一致,从而得到较佳的筛分效果。给料点到筛面的较大落差不大于500mm,确保物料对筛面的较小冲击;
6、激振器顺向流料方向回转时,增加物料运行速度,可增加生产能力,但降低筛分效率;当激振器逆向流料方向回转时,减小物料运行速度,降低生产能力,可提高筛分效率。
加工物料:建筑垃圾
生产能力:≤100m³h
设备配置:圆盘给料机
查看详情
加工物料:石料
生产能力:300t/h
设备配置:YK型圆振动筛
查看详情
加工物料:泥浆
生产能力:450m³/h
设备配置:YK1850-2P脱水筛
查看详情新乡市草莓污视频在线机械设备有限公司 豫ICP备51265542号-2 技术支持新乡志远网络公司 地 址:新乡市长济高速西出口